簡介:1326耐高溫壓力變送器原理結構 1326型壓力變送器采用進口硅壓阻式隔離膜充油芯體作為信號測量元件,被測介質壓力經過變送器上的散熱結構傳遞到傳感器,位于不銹鋼殼體內的信號處理電路,將傳感器信號轉換為標準輸出信號。整個產品經過了元器件、半成品及成品
銷售熱線: (微信/手機同號。)
1326型壓力變送器采用進口硅壓阻式隔離膜充油芯體作為信號測量元件,被測介質壓力經過變送器上的散熱結構傳遞到傳感器,位于不銹鋼殼體內的信號處理電路,將傳感器信號轉換為標準輸出信號。整個產品經過了元器件、半成品及成品的嚴格測試及老化篩選,性能穩定可靠。
1326耐高溫壓力變送器
對316L不銹鋼無腐蝕的氣體、液體壓力測量。
應用于石油、化工、冶金、電力、水文等工業過程現場。
船舶及航空工業領域。
液壓及氣動控制系統。
應用于醫療、生物制品、食品衛生等行業。
1326耐高溫壓力變送器特點
測量范圍廣,全不銹鋼結構,壓力接口形式多樣,防護等級IP65;
輸出信號形式多樣,現場可調;
技術參數 | |
---|---|
量程范圍: | -0.1~0或0~0.01MPa或0~100MPa |
允許過載: | ≤額定量程的1.5倍 |
壓力類型: | 表壓、絕壓、密封參考壓型 |
精確度: | ±0.25%(典型)±0.5%(最大) |
長期穩定性: | ±0.1%F.S/年(典型) ±0.2%F.S/年(最大) |
零點溫度漂移: | ±0.03%F.S/℃(≦100KPa) ±0.02%F.S/℃(>100KPa)±0.02%F.S/℃(>100KPa) |
滿度溫度漂移: | ±0.03%F.S/℃(≦100KPa) ±0.02%F.S/℃(>100KPa) |
工作溫度: | -20℃~80℃ |
貯存溫度: | -40℃~120℃ |
供電電源: | 15~30VDC(本安型經安全柵供電) |
輸出信號: | 4~20mA 0~10/20mA 0/1~5VDC |
壓力接口: | 卡箍式法蘭接口(φ50.4) |
外殼材質: | 304不銹鋼 |
膜片材質: | 316L不銹鋼 |
O型密封圈: | 氟橡膠 |
電纜: | 聚乙烯 |
絕緣電阻: | 100MΩ 100VDC |
外殼防護等級: | IP65 |
選型代碼 | ||||||||
---|---|---|---|---|---|---|---|---|
1326- | 1 | 2 | 3 | 4 | 5 | 6 | 7 | 8 |
量程范圍 -0.1~0或0~0.01MPa或0~100MPa(X:表示實際測量量程上線) | ||||||||
1 | XK | (0-x)Kpa | ||||||
XM | 0-x)Mpa | |||||||
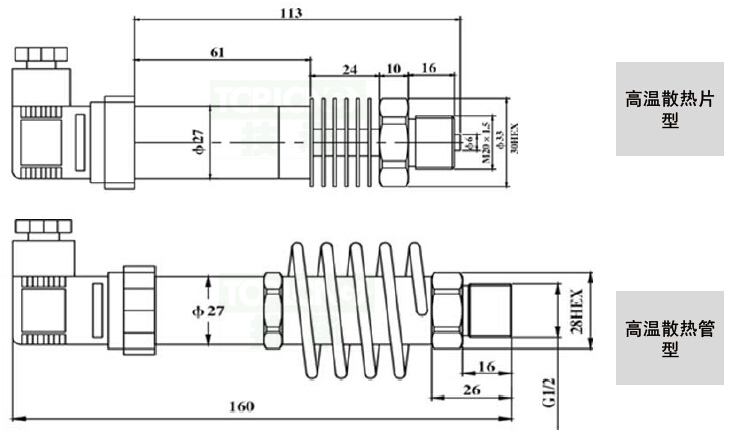
2 | 外形規格 | |||||||
A | 高溫散熱管型 | |||||||
B | 高溫散熱片型 | |||||||
3 | 供電電源 | |||||||
D1 | 15~30VDC | |||||||
D3 | 其它供電方式 | |||||||
4 | 輸出信號 | |||||||
S1 | 4~20mADC | |||||||
S2 | 1~5VDC | |||||||
S3 | 0~5V | |||||||
S4 | 0~10mADC | |||||||
S5 | 0~20mADC | |||||||
5 | 精度等級 | |||||||
A | 0.1%F.S | |||||||
B | 0.25%F.S | |||||||
C | 0.5%F.S | |||||||
6 | 螺紋接口 | |||||||
J1 | M20×1.5外螺紋 | |||||||
J2 | G1/2 外螺紋 | |||||||
J3 | G1/4外螺紋 | |||||||
J5 | 其它特殊螺紋 | |||||||
7 | 壓力類型 | |||||||
G | 表壓(*常規選項) | |||||||
A | 絕壓 | |||||||
S | 密封參考壓 | |||||||
8 | OEM定制 | |||||||
/ | 無定制內容常規出貨 | |||||||
A | 無銘牌光版定制產品 | |||||||
B | 指定銘牌指定商標產品 |
與”1326耐高溫壓力變送器“相關產品
與”1326耐高溫壓力變送器“相關閱讀